Pilot ZiRa
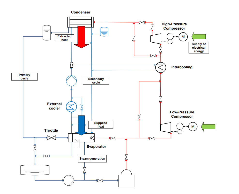
The Institute of Low-Carbon Industrial Processes is developing a high-temperature heat pump (HTWP) based on the Rankine process (working medium water/steam) and will set up the corresponding DLR test facility ZiRa for this purpose. For the development of this plant, the construction of the pilot plant ZiRa is necessary:
- to start experimental research well before completion of the DLR infrastructure in Zittau,
- to build up know-how for key topics such as plant construction, plant operation, measurement and control technology, safety.
The planned pilot plant ZiRa serves as an experimental basis for future research work, therefore the scalability of the components for the planned experimental plant ZiRa will be considered during conceptual design and procurement. In addition to the test possibilities at the pilot plant, experience will be gained on the technical limits, the risk in the design and construction of the DLR test plant ZiRa will be reduced, and unnecessary system variants will be avoided.
With the pilot plant, the Institute of Low-Carbon Industrial Processes is pursuing the goals of advancing the heat transition in industry with innovative technology and demonstrating a possibility for decarbonizing energy-intensive industrial sectors.

The pilot plant expands the research on energy carrier media with phase change. The ZiRa pilot plant will achieve a TRL (Technology Readiness Level) of 3 - 4.
This measure is co-financed by tax revenue on the basis of the budget approved by the Saxon state parliament.