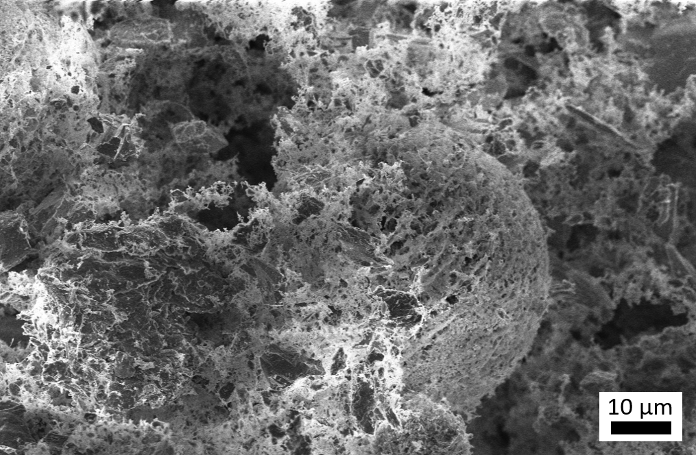
Microscopic fine structure after the experiment
Microscopic fine structure after the experiment
Upon completion of the experiment with the Ceres analogue material, the sublimed water ice left behind a network of tiny cavities in the clay minerals held together by fine filaments. These filaments are so small and delicate that incident sunlight results in Rayleigh scattering in which the shorter-wavelength, higher-energy blue component of sunlight is scattered more than other wavelengths, leading to the blue colour of the younger craters on Ceres.
