Mikroskopische Feinstruktur nach dem Experiment
Mikroskopische Feinstruktur nach dem Experiment
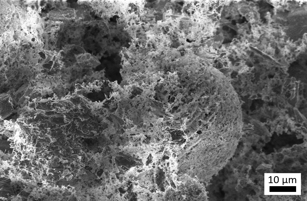
Nach Beendigung des Experiments mit Ceres-Analogmaterial hat das verdampfende Wassereis ein von feinen Filamenten zusammengehaltenes Netzwerk aus kleinsten Hohlräumen in den Tonmineralen hinterlassen. Die Strukturen sind so filigran und klein, dass durch auftreffendes Sonnenlicht ein Rayleigh-Effekt entsteht, bei dem der kürzerwellige, energiereichere blaue Anteil des Sonnenlichts stärker als die restlichen Wellenlängen gestreut werden und zur Blaufärbung der jungen Krater auf Ceres führt.
